meta data for this page
lamaPLC: TCA9548A (HW617); Low-Voltage 8-Channel I²C Switch Module
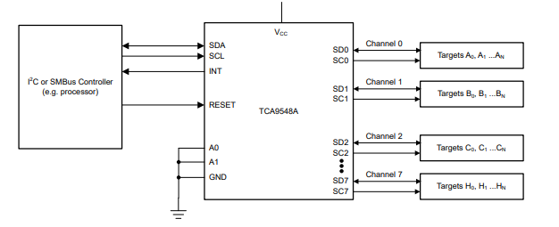
The TCA9548A device features eight bidirectional switches that can be controlled via the I²C bus. The upstream SCL/SDA pair connects to eight downstream channels. Any individual channel or combination of channels can be selected by programming the control register. These downstream channels resolve I²C target address conflicts. For example, if eight identical digital temperature sensors are required in the application, one sensor can be connected to each channel: 0-7.
If you'd like to support the development of the site with the price of a coffee — or a few — please do so here.
Here's a handy tip: you can quickly save this page as a PDF by clicking “export to PDF” in the menu on the right side of the screen.
Technical data
- 1-to-8 Bidirectional translating switches
- I²C Bus and SMBus compatible
- Active-low reset input
- Three address pins, allowing up to eight TCA9548A devices on the I²C bus
- Channel selection through an I2C Bus, in any combination
- Power up with all switch channels deselected
- Low RON switches
- Allows voltage-level translation between 1.8V, 2.5V, 3.3V, and 5V buses
- No glitch on power up
- Supports hot insertion
- Low standby current
- Operating power-supply voltage range of 1.65 to 5.5 V
- 5-V Tolerant inputs
- 0 to 400kHz Clock frequency
- Latch-up performance exceeds 100mA per JESD 78, class II
Device Address
The last bit of the target address defines the operation (read or write) to be performed. When it is high (1), a read
is selected, while a low (0) selects a write operation. Shows the TCA9548A address reference:
Arduino
To call the module, you only need the “wire” library. The code below scans the module, for example:
/** * TCA9548 I2CScanner.ino -- I2C bus scanner for Arduino * * Based on https://playground.arduino.cc/Main/I2cScanner/ * */ #include "Wire.h" #define TCAADDR 0x70 void tcaselect(uint8_t i) { if (i > 7) return; Wire.beginTransmission(TCAADDR); Wire.write(1 << i); Wire.endTransmission(); } // standard Arduino setup() void setup() { while (!Serial); delay(1000); Wire.begin(); Serial.begin(115200); Serial.println("\nTCAScanner ready!"); for (uint8_t t=0; t<8; t++) { tcaselect(t); Serial.print("TCA Port #"); Serial.println(t); for (uint8_t addr = 0; addr<=127; addr++) { if (addr == TCAADDR) continue; Wire.beginTransmission(addr); if (!Wire.endTransmission()) { Serial.print("Found I2C 0x"); Serial.println(addr,HEX); } } } Serial.println("\ndone"); } void loop() { }
More codes on the Adafruit website: https://learn.adafruit.com/adafruit-tca9548a-1-to-8-i2c-multiplexer-breakout/arduino-wiring-and-test
Source
I²C topics on lamaPLC
This page has been accessed for: Today: 4, Until now: 5
