meta data for this page
lamaPLC Communication: RS-485
RS-485, also known as TIA-485(-A) or EIA-485, is a standard defining the electrical characteristics of drivers and receivers for use in serial communications systems. Electrical signaling is balanced, and multipoint systems are supported. The standard is jointly published by the Telecommunications Industry Association and Electronic Industries Alliance (TIA/EIA). Digital communications networks implementing the standard can be used effectively over long distances and in electrically noisy environments. Multiple receivers may be connected to such a network in a linear, multidrop bus. These characteristics make RS-485 useful in industrial control systems and similar applications.
Overview
RS-485 supports inexpensive local networks and multidrop communications links, using the same differential signaling over twisted pair as RS-422. It is generally accepted that RS-485 can be used with data rates up to 10 Mbit/s or, at lower speeds, distances up to 1,200 m (4,000 ft). As a rule of thumb, the speed in bit/s multiplied by the length in metres should not exceed 108. Thus a 50-meter cable should not signal faster than 2 Mbit/s.
In contrast to RS-422, which has a driver circuit which cannot be switched off, RS-485 drivers use three-state logic allowing individual transmitters to be deactivated. This allows RS-485 to implement linear bus topologies using only two wires. The equipment located along a set of RS-485 wires are interchangeably called nodes, stations or devices.
The recommended arrangement of the wires is as a connected series of point-to-point (multidropped) nodes, i.e. a line or bus, not a star, ring, or multiply connected network. Star and ring topologies are not recommended because of signal reflections or excessively low or high termination impedance. If a star configuration is unavoidable, special RS-485 repeaters are available which bidirectionally listen for data on each span and then retransmit the data onto all other spans.
Comparison of RS-232, RS-422, RS-485
| RS-232 | RS-423 | RS-422 | RS-485 | |
|---|---|---|---|---|
| Operating mode | asynchronous transmission | asynchronous transmission | synchronous transmission | synchronous transmission |
| Number of drives and receivers per line | 1 drive 1 receiver (point-to-point) | 1 drive 10 receivers (point-to-point) | 1 drive 10 receivers (point-to-point) | 32 stations per segment |
| Data transfer method | half-duplex, full-duplex | half-duplex | half duplex | half duplex |
| Data transmission | p2p | multi-drop (broadcast) | multi-drop (broadcast) | multipoint |
| Max. cable length | 15 m | 1200 m | 1200 m | 1200 m |
| Max. data transfer 12 m 1200 m | 20 kbps (1 kbps) | 100 kbps 1 kbps | 10 Mbps 100 kbps | 35 Mbps 100 kbps |
| Max. slew rate | 30 V/μs | adjustable | n.a. | n.a. |
| Receiver input resistance | 3..7 kΩ | ≧ 4 kΩ | ≧ 4 kΩ | ≧ 12 kΩ |
| Drive Load- Impedance | 3..7 kΩ | ≧ 450 Ω | 100 Ω | 54 Ω |
| Receiver “dead band” | ±3 V | ±200 mV | ±200 mV | ±200 mV |
| Receiver voltage level | ±15 V | ±12 V | ±10 V | –7..12 V |
| Drive output voltage max. | ±25 V | ±14 V | ±12 V | –9..14 V |
| Drive output voltage min. (with load) | ±5 V | ±3.6 V | ±2.0 V | ±1.5 V |
| Drive output short circuit current limit | 500 mA to Vdc or Ground | 150 mA to Ground | 150 mA to Ground | 150 mA to Ground 250 mA to Vdc |
| Receiver Hysteresis | 1.15 V | 50 mV | 50 mV | 50 mV |
RS-485 signal levels
Technology of RS-485
RS-485 is a symmetrical transmission mode. The name EIA-485 is the same as the RS-485 standard, but according to the source document, the name RS-485 is obsolete - this is not supported by my experience. Within the principle limit of 32 units/segment, the number of transmitter and receiver units can be freely varied (multipoint). Multi-drop (broadcast) division is one of the most frequently used (decentralized peripheral) solutions, when a transmitter can have a maximum of 31 receiver units.
The maximum limit of 32 units / segment applies with the predefined drive load (Unit Load [UL]), which is 12 kΩ for RS-485. The number of units can be increased if the drive load is reduced. Typically, this - the UL - is reduced to a quarter (48 kΩ) or an eighth (96 kΩ), so the number of stations can be increased to 128 or 256, respectively. The number of stations can also be increased with a network amplifier (repeater), Profibus is an example of this.
RS-485 assumes a line impedance of 120 Ω from the line, which is typically achieved by using an STP line. The two ends of the segment must be closed with 680 Ω 120W (10%, 1/2 watt) end caps.
Signal rate of RSs
The transmission rate / distance ratio depends significantly on the quality of the used wire and the number of line amplifiers (repeaters). The curves below show typical values only.
RS-485 half duplex connection
RS-485 full duplex connection
Profibus RS-485 (EIA-485)
RS-485 transmission is the most commonly used transmission technology in PROFIBUS systems. It is also often referred to as H2. Its field of application includes areas requiring high transmission speed and simple, inexpensive installation. It uses a conductor pair, shielded, twisted pair.
RS-485 transmission technology is very easy to use. Connecting the twisted pair does not require specialist knowledge. The bus structure allows adding and removing stations, setting up the system step by step without disturbing other stations. Subsequent expansions have no effect on already operating stations.
The transmission speed can be selected between 9.6 kbit/sec and 12 Mbit/sec. When assembling the system, a transmission speed must be defined for all equipment. To determine the speed, the type of wire must be taken into account.
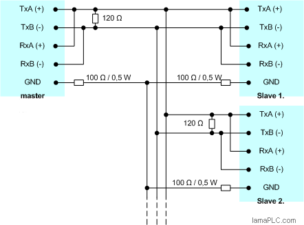
A typical network configuration is shown in the figure below:
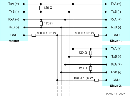
The above resistance values are for “A” type wire - in this case the baudrate > 500 kBaud. In the case of “B” type wire, the resistances change as follows: 390 → 330 Ω, 220 → 120 Ω. In this case, the baudrate drops below 500 kBaud. If two stations are connected, the connection diagram looks like this:
Sources
Wikipedia (here)
RS-485 topics on lamaPLC
| Page | Date | Tags |
|---|---|---|
| 2024/11/16 01:16 | bus, communication, dmx512, dmx512-a, rs-485, xlr3, xlr5 | |
| 2026/04/23 21:51 | profibus, profibus pa, profibus dp, communication, fieldbus, bus, iec 61158, iec 61784-1, profinet, rs-485 | |
| 2026/04/23 21:51 | bus, communication, rs-485, rs, basic, profibus | |
| 2026/04/23 21:51 | bus, communication, uart, rs-232, rs-422, rs-485 | |
| 2025/08/24 12:19 | arduino, board, mkr fox 1200, mkr zero, ethernet, shield, m-bus, rs-485, can, env, sd card, rgb, gps, iot, wifi, sigfox, lora, gsm, lte-m | |
| 2026/02/14 18:42 | pta8c04, sensor, modbus, rtu, rs-485, communication, platine, um72 | |
| 2026/02/14 23:49 | modbus, rtu, modbus rtu, hw-097, rs-485, max485 | |
| 2026/02/15 00:00 | communication, modbus, rtu, sensor, weight, yr-3180, hx710b, arduino, ttl, rs-485 | |
| 2026/02/14 18:49 | nt18b07, sensor, modbus, rtu, rs-485, communication, platine |
This page has been accessed for: Today: 3, Until now: 5






